Ändrande byggd DC-skydd för PV-matriser.
Dessa granskare av typ 2 skyddar PV -strängar, samlingar och inverteringångar från övergående överspänningar orsakade av blixtnedslag eller växlingsoperationer. De säkerställer att ekvipotentialbindning av både positiva och negativa PV -samlingar och hjälper till att upprätthålla systemets drifttid över alla blixtskyddsnivåer (LPL I - IV).
U eller Y -anslutning - välj vad din design behöver.
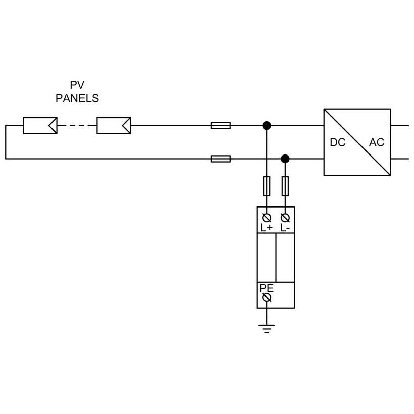
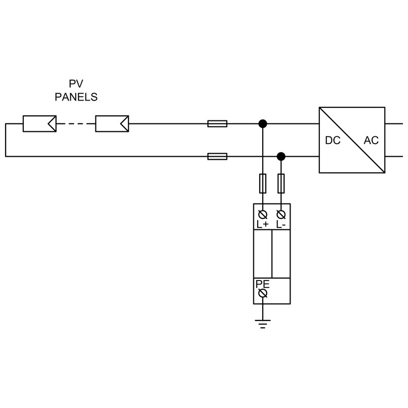
U -anslutning: Konventionell skyddstopologi för PV DC -kretsar.
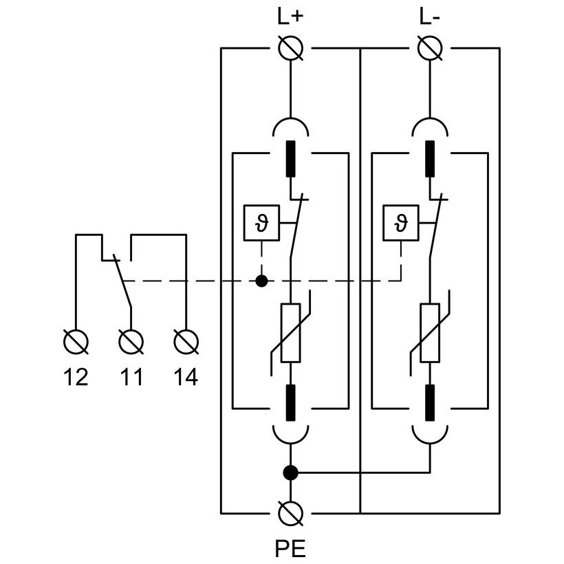
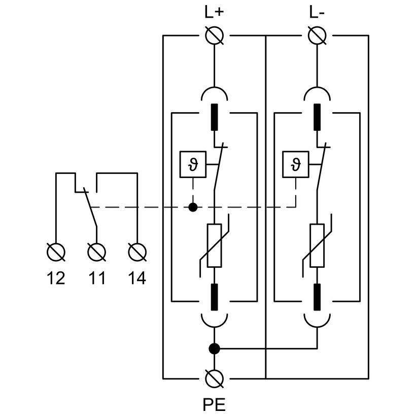
Y -anslutning: Varistorer arrangerade till PE så att arbetsledarna förblir resistenta mot jorden och det finns noll rest (läckage) ström genom PE -ledaren, förbättrar EMC -beteendet och minimerar olägenheter.
Inbyggd säkerhet-ingen back-up-säkring krävs.
Särskilda varistorsektorer mellan L+, L- och PE är var och en utrustade med inre termiska kopplingar. När en varistor når livslängden (övervärmning) reser bortkopplingsresorna, synligt indikerar ett fel och avbryter likström. Tack vare deras speciella konstruktion kan dessa arresterare installeras utan en separat back-up-säkring (med förbehåll för systemkoordination).
Flexibel distribution med eller utan extern LPS.
Installera på DC -sidan av PV -system antingen utan ett externt blixtskyddssystem (LPS) eller med en LPS när det nödvändiga separationsavståndet "S" upprätthålls. Detta stöder säker integration i nybyggnad och eftermontering.
Service- och övervakningsalternativ.
M Indikation: Version med en avtagbar (plug-in) skyddsmodul för snabb ersättning.
S -indikation: Version med fjärrövervakningskontakt för status signalering till SCADA/PLC/larmreläer.
Typiska applikationer
PV-strängar, kombinations-/re-kombinationslådor och inverterare DC-ingångar
Utility-Scale, Commercial & Industrial och Rooftop PV-installationer
Webbplatser med eller utan extern LPS där separationsavstånd "S" observeras
Nyckelfunktioner med en överblick
Typ 2 SURGE ARRESTER för PV DC Systems (U eller Y -anslutning)
Y Anslutningsfördel: Jordresistenta arbetsledare och noll PE-läckage
Interna termiska kopplingar på varistorvägar (L+, L-, PE)
DC nuvarande avbrott på fel; Ingen säkerhetskopiering krävs
Lämplig för alla LPL -nivåer; stöder ekvipotentialbindning
M = avtagbar modul; S = fjärrövervakningskontakt

